图表认识电子元器件
元件:无须直流电压也可工作,如电阻器、电感器、电容器。
器件:必须加上直流电压才能工作,如二极管、三极管、集成电路等。

目录
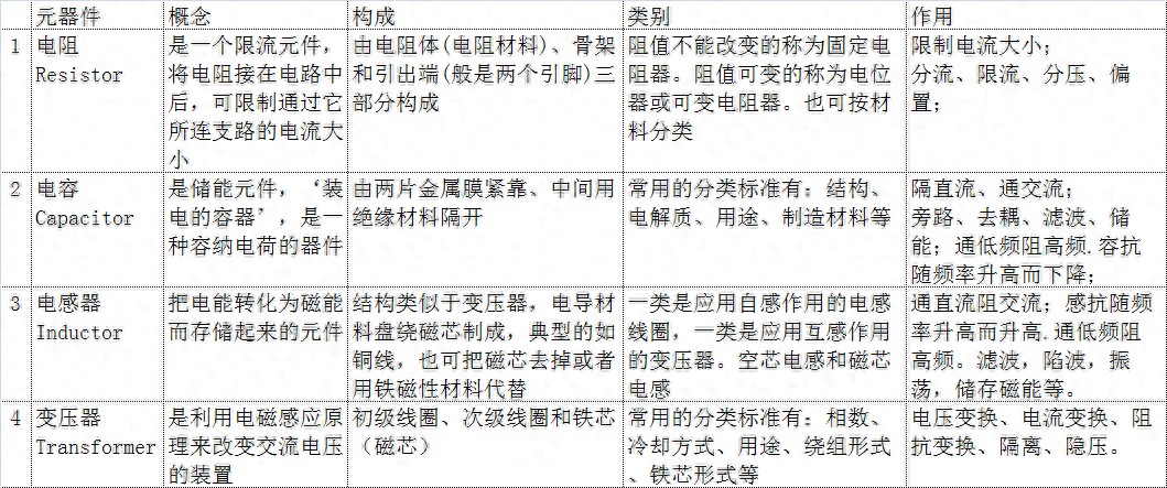
1 电阻 Resistor
2 电容 Capacitor
3 电感器 Inductor
4 变压器 Transformer
5 二极管 Diode
6 三极管 Triode
7 场效应管 Field-effect transistor
8 光电耦合器 Optical Coupler
9 继电器 Relay
10 晶闸管 Thyristor
11 传感器 Sensor
12 PCB Printed Circuit Board
13 半导体 Semiconductor
14 集成电路 Integrated Circuit
15 直流电和交流电 Direct Current and Alternating Current
16 电路图和逻辑图

1 电阻
电阻利用它自身消耗电能的特性,通过自身消耗电能来分配电能。
事实上,同样的电压施加在不同的电阻上会产生不同的电流,同样的电流流过不同的电阻也会产生不同的电压。在电子学中,1A的电流是非常大的。通常我们会用比较小的电流值。
电阻在电子学中可以用严控电流或电压;电阻是导体本身固有的一种特性;其基本特性是消耗电能而发热。
电阻单位:欧姆。参数标注方法:直标法、色标法、数标法;
可变电阻器:可以在音量控制器电路图中控制音量。
电位器是具有三个引出端、阻值可按某种变化规律调节的电阻元件。电位器通常由电阻体和可移动的电刷组成。当电刷沿电阻体移动时,在输出端即获得与位移量成一定关系的电阻值或电压。
电位器是一种连续可调的电阻器,为三端元件,有两个阻值固定的定值端和一个滑动端。
电阻器的文字符号是“ R ”,电位器是“ RP ”,即在 R 的后面再加一个说明它有调节功能的字符“ P ”。

2 电容
电容器在直流电路中,刚加电时直流电会给电容器充电,但充电很快结束,再也充不进去了,所以在直流电路中相当于“断路”。当电容器接在交流电路时,由于交流电的极性是不断变化的,所以电容器处于不断地充、放的状态,电路中一直有大小、方向不断变化的电流通过。
容量的大小就是表示贮存电能的大小。
电容对交流信号的阻碍作用称为容抗,它与信号的频率和电容量有关。


3 电感器
电感器和电容器一样,也是一种储能元件,也经常和电容器一起工作构成LC滤波器、LC振荡器;还可利用电感器的特性,制造扼流圈、变压器、继电器等。
如果电感器在没有电流通过的状态下,电路接通时它将试图阻碍电流流过它;如果电感器在有电流通过的状态下,电路断开时它将试图维持电流不变。能阻止电流的变化。电感器又称扼流器、电抗器、动态电抗器。
电感的结构类似于变压器,只有一个绕组。
电感线圈是将绝缘的导线在绝缘的骨架上绕一定的圈数制成。直流可通过线圈,直流电阻就是导线本身的电阻, 压降很小;当交流信号通过线圈时,线圈两端将会产生自感电动势,自感电动势的方向与外加电压的方向相反,阻碍交流的通过,所以电感的特性是通直流阻交流,频率越高,线圈阻抗越 大。电感在电路中可与电容组成振荡电路。
电感的工作能力大小用电感量来表示,表示产生感应电动势的能力。电感量是表征线圈的一个重要参数,通常线圈的匝数愈多,电感量愈大。此外,电感量大小与线圈绕制方式和有无磁芯及磁芯位置和材料有关。
由于通过电感器的电流发生变化时,线圈中会发生自感现象,产生自感电动势。自感电动势会阻碍线圈中电流的变化,所以电感器对交流电具有阻碍作用,这种阻碍作用叫感抗,用XL表示=2pifL(f:交流电频率,L:电感量),从该公式可知,在电感量一定的条件下,通过电感器的交流电的频率越低,感抗越小,所以电感器具有通低频的作用;


4 变压器
法拉第在1831年8月29日发明了一个“电感环”,称为“法拉第感应线圈”,实际上是世界上第一只变压器雏形。但法拉第只是用它来示范电磁感应原理,并没有考虑过它可以有实际的用途。



5 二极管
半导体二极管主要特性是单向导电性,也就是在正向电压的作用下,导通电阻很小;而在反向电压作用下导通电阻极大或无穷大。
半导体二极管可分为整流、检波、发光、光电、变容等作用。
限幅元件:二极管正向导通后,它的正向压降基本保持不变(硅管为0.7V,锗管为0.3V)。利用这一特性,在电路中作为限幅元件,可以把信号幅度限制在一定范围内。
开关元件:二极管在正向电压作用下电阻很小,处于导通状态,相当于一只接通的开关;在反向电压作用下,电阻很大,处于截止状态,如同一只断开的开关。利用二极管的开关特性,可以组成各种逻辑电路。
光敏二极管:表示受光线照射时二极管反向电流会增大,反向电流大小受光线强弱的控制。



6 三极管
三极管是电流控制型器件-通过基极电流或是发射极电流去控制集电极电流。
三极管是一个同时具有输入端与输出端的双端口组件,这有别于普通电阻器或二极管等仅有两只引脚的单商品组件。通常,双端口组件的输入端和输出端各有两只引脚,故三极管在工作时必须有一只引脚为输入端和输出端所公共。
三极管的三种状态:截止状态、放大状态、饱和状态。
严格意义上讲,晶体管泛指一切以半导体材料为基础的单一元件,包括各种半导体材料制成的二极管、三极管、场效应管、可控硅等。晶体管有时多指晶体三极管。
晶体管的两种工作模式:
数字模式:晶体管在两个状态之间跳转,分别为集电极电流高或低,开启或关闭,将一个晶体管的集电极连接到一个晶体管的基极,可以一直连接下去,每个晶体管相关于一个电子开关;
模拟模式:也就是晶体管作控制之用时的模式,名称的得来是因为晶体管的集电极电流是基极电流的模拟。利用可变电阻调节晶体管基极电流的大小,可以得到更大的集电极电流驱动发光二极管发光。

7 场效应管
场效应管(FET)是利用控制输入回路的电场效应来控制输出回路电流的一种半导体器件,并以此命名。

场效应管与晶体管的比较:
场效应管是电压控制元件,而晶体管是电流控制元件。在只允许从信号源取较少电流的情况下,应选用场效应管;而在信号电压较低,又允许从信号源取较多电流的条件下,应选用晶体管。
场效应管是利用多数载流子导电,所以称之为单极型器件,而晶体管是即有多数载流子,也利用少数载流子导电。被称之为双极型器件。
有些场效应管的源极和漏极可以互换使用,栅压也可正可负,灵活性比晶体管好。
场效应管能在很小电流和很低电压的条件下工作,而且它的制造工艺可以很方便地把 很多场效应管集成在一块硅片上.

8 光电耦合器optical coupler
光电耦合器是以光为媒介传输电信号的一种电一光一电转换器件。它由发光源和受光器两部分组成。把发光源和受光器组装在同一密闭的壳体内,彼此间用透明绝缘体隔离。发光源的引脚为输入端,受光器的引脚为输出端,常见的发光源为发光二极管,受光器为光敏二极管、光敏三极管等等。

9 继电器Relay
电磁式继电器一般由铁芯、线圈、衔铁、触点簧片等组成的。只要在线圈两端加上一定的电压,线圈中就会流过一定的电流,从而产生电磁效应,衔铁就会在电磁力吸引的作用下克服返回弹簧的拉力吸向铁芯,从而带动衔铁的动触点与静触点(常开触点)吸合。当线圈断电后,电磁的吸力也随之消失,衔铁就会在弹簧的反作用力返回原来的位置,使动触点与原来的静触点(常闭触点)吸合。这样吸合、释放,从而达到了在电路中的导通、切断的目的。对于继电器的“常开、常闭”触点,可以这样来区分:继电器线圈未通电时处于断开状态的静触点,称为“常开触点”;处于接通状态的静触点称为“常闭触点”。



10 晶闸管Thyristor
晶闸管具有硅整流器件的特性,能在高电压、大电流条件下工作,且其工作过程可以控制、被广泛应用于可控整流、交流调压、无触点电子开关、逆变及变频等电子电路中。

11传感器
传感器是由敏感元件和转换元件组成的检测装置。它能感受到被测量因素(光、电、温度、磁、气体、声波等)的有无或变化,并能将感受到的信息按一定规律变换成电信号或其他形式的信号输出,以满足自动检测和自动控制的需要。敏感元件能够灵敏地感受被测变量(如温度、光照、温度、压力、气体浓度等)并做出响应的元件,是传感器中能直接感觉被测物理量的部分。



12 PCB
PCB(Printed Circuit Board) 作为一块基板,他是装载其它电子元器件的载体。PCB为了增加可以布线的面积,可将多张单面板或双面板压在一起,通过镀铜的孔来连通线路。大部分的主机板都是4到8层的结构。
PCB生产流程:
一、联系厂家
首先需要联系厂家,然后注册客户编号,便会有人为你报价,下单,和跟进生产进度。
二、开料
目的:根据工程资料MI的要求,在符合要求的大张板材上,裁切成小块生产板件.符合客户要求的小块板料.
流程:大板料→按MI要求切板→锔板→啤圆角\磨边→出板
三、钻孔
目的:根据工程资料,在所开符合要求尺寸的板料上,相应的位置钻出所求的孔径.(多层板压在一起时可通过铜孔连通)
流程:叠板销钉→上板→钻孔→下板→检查\修理
四、沉铜
目的:沉铜是利用化学方法在绝缘孔壁上沉积上一层薄铜.(铜面由后续工序形成线路)
流程:粗磨→挂板→沉铜自动线→下板→浸%稀H2SO4→加厚铜
五、图形转移
目的:图形转移是生产菲林上的图像转移到板上
流程:(蓝油流程):磨板→印第一面→烘干→印第二面→烘干→爆光→冲影→检查;(干膜流程):麻板→压膜→静置→对位→曝光→静置→冲影→检查
六、图形电镀
目的:图形电镀是在线路图形裸露的铜皮上或孔壁上电镀一层达到要求厚度的铜层与要求厚度的金镍或锡层.
流程:上板→除油→水洗二次→微蚀→水洗→酸洗→镀铜→水洗→浸酸→镀锡→水洗→下板
七、退膜
目的:用NaOH溶液退去抗电镀覆盖膜层使非线路铜层裸露出来.
流程:水膜:插架→浸碱→冲洗→擦洗→过机;干膜:放板→过机
八、蚀刻
目的:蚀刻是利用化学反应法将非线路部位的铜层腐蚀去.
九、绿油
目的:绿油是将绿油菲林的图形转移到板上,起到保护线路和阻止焊接零件时线路上锡的作用
流程:磨板→印感光绿油→锔板→曝光→冲影;磨板→印第一面→烘板→印第二面→烘板
十、字符
目的:字符是提供的一种便于辩认的标记
流程:绿油终锔后→冷却静置→调网→印字符→后锔
十一(1)、镀金手指
目的:在插头手指上镀上一层要求厚度的镍\金层,使之更具有硬度的耐磨性
流程:上板→除油→水洗两次→微蚀→水洗两次→酸洗→镀铜→水洗→镀镍→水洗→镀金
十一(2)镀锡板 (并列的一种工艺)
目的:喷锡是在未覆盖阻焊油的裸露铜面上喷上一层铅锡,以保护铜面不蚀氧化,以保证具有良好的焊接性能.
流程:微蚀→风干→预热→松香涂覆→焊锡涂覆→热风平整→风冷→洗涤风干
十二、成型
目的:通过模具冲压或数控锣机锣出客户所需要的形状成型的方法有机锣,啤板,手锣,手切
说明:数据锣机板与啤板的精确度较高,手锣其次,手切板最低具只能做一些简单的外形.
十三、测试
目的:通过电子100%测试,检测目视不易发现到的开路,短路等影响功能性之缺陷.
流程:上模→放板→测试→合格→FQC目检→不合格→修理→返测试→OK→REJ→报废
十四、终检
目的:通过100%目检板件外观缺陷,并对轻微缺陷进行修理,避免有问题及缺陷板件流出.
具体工作流程:来料→查看资料→目检→合格→FQA抽查→合格→包装→不合格→处理→检查OK

13 半导体
半导体其导电能力介于导体和绝缘体之间,用半导体体制成的电子元器件,在特定的工作条件下可以工作在导通和截止两种状态;半导体器件常有二端器件(二极管)、三端器件(三极管、场效应管、晶闸管、复合管等)、多脚器件(整流桥、差分对管等)。
本征半导体体Intrinsic semiconductor:没有掺杂且无晶格缺陷的纯净半导体。
空穴和电子:半导体结构中,价电子(原子的最外层电子)不像在绝缘体(8价元素)中那样被束缚得很紧,在获得一定能量(温度增高或受光照等)后,即可摆脱原子核的束缚(电子受到激发)成为自由电子,同时在共价键中留下的空位称为空穴。
半导体中的两种电流:本征半导体中的自由电子和空穴在外电场的作用下,半导体内部将出现两种电流,一是自由电子作定向运动形成电子电流;二是仍被原子核束缚的价电子(不是自由电子)递补空穴形成的空穴电流;
在半导体内存在自由电子和空穴两种截流子,这是半导体和金属在导电原理上的本质区别。
半导体的温度特性:本征半导体内的自由电子和空穴总是成对出现,同时不断复合,在一定温度下达到动态平衡,截流子便维持一定数目,温度愈高,截流子数目愈多,导电性能也愈好。
P型半导体:在本征半导体中掺入三价杂质元素如硼、镓、铟等形成了P型半导体,也称为空穴半导体;
N型半导体:在本征半导体中掺入五种杂质元素如磷,可形成N型半导,也称为电子型半导体;
PN结:在一块本征半导体的两侧通过扩散不同的杂技,分别形成N型半导体和P型半导体。

14 集成电路
在1954年硅晶体管发明之后,晶体管的巨大应用前景已经越来越明显。科学家的下一个目标便是如何进一步把晶体管、导线及其它器件高效地连接起来。
集成电路是在一块单晶硅上,用光刻法制作出很多三极管、二极管、电阻和电容,并按照特定的要求把他们连接起来,构成一个完整的电路。由于集成电路具有体积小,重量轻,可靠性高和性能稳定等优点,所以特别是大规模和超大规模的集成电路的出现,是电子设备在微型化,可靠性和灵活性方面向前推进了一大步。



15 直流电和交流电
“直流电”(Direct Current,简称DC),又称“恒流电”,恒定电流是直流电的一种,是大小和方向都不变的直流电。实际上所有的电子和计算机硬件都需要直流电来工作。任何电子设备,比如电视、收音机、高保真音响以及电脑中,将交流市电整流成直流低压的部分被称为是供电电源。
交流电(alternating current),简称为AC。交流电也称“交变电流”,简称“交流”。一般指大小和方向随时间作周期性变化的电压或电流。它的最基本的形式是正弦电流。当发现了电磁感应后,产生交流电流的方法则被发现。
交流电的频率是指它单位时间内周期性变化的次数,单位是赫兹(Hz),与周期成倒数关系。日常生活中的交流电的频率一般为50Hz,而无线电技术中涉及的交流电频率一般较大,达到千赫兹(KHz)甚至兆赫兹(MHz)的度量。我们常见的电灯、电动机等用的电都是交流电。中国通常使用的交流电,一般频率是50Hz。纯电阻电路是最简单的一种交流电路。白炽灯、电炉、电烙铁等的电路都可以看成是纯电阻电路。虽然纯电阻的电压和电流都随时间而变,但对同一时刻,欧姆定律仍然成立
发动机和电力传输都有直流和交流两种方式。

16 电路图和逻辑图
电路图是说明模拟电子电路工作原理的。它用各种图形符号表示电阻器、电容器、开关、晶体管等实物,用线条把元器件和单元电路按工作原理的关系连接起来。这种图长期以来就一直被叫做电路图。
逻辑图是说明数字电子电路工作原理的。它用各种图形符号表示门、触发器和各种逻辑部件,用线条把它们按逻辑关系连接起来,它是用来说明各个逻辑单元之间的逻辑关系和整机的逻辑功能的。为了和模拟电路的电路图区别开来,就把这种图叫做逻辑电路图,简称逻辑图。


